Kia Stonic (YB): Motorsteuerung/Kraftstoffsystem
Spezialwerkzeuge
Werkzeugbezeichnung / Nummer
|
Abbildung
|
Beschreibung
|
Kraftstoffdruckmanometer
09353-24100
|

|
Zur Druckmessung in der Kraftstoffleitung
|
Adapter, Kraftstoffdruck-Messer
0K353-D4100
|

|
Zum Anschluss zwischen Hochdruck-Kraftstoffpumpe und Niederdruck-Kraftstoffzufuhrleitung
zum Messen des Drucks in der Kraftstoffleitung
|
Steckschlüssel für die beheizte Lambdasonde
09392-1Y100
|

|
Zum Aus-/Einbau der beheizten Lambdasonde
※SST 09392-2H100 kann ebenso verwendet werden
|
Drehmomentschlüsseleinsatz
09314-3Q100 oder 09314-27130(19mm)
|

|
Verwendet für Aus-/Einbau der Hochdruck-Kraftstoffleitung
|
Injektor-Dichtringführung und Kalibrierwerkzeug
09353-2B000
|

|
Zum Einbau der Dichtung am Einspritzventil
|
Fehlersuche
| GRUNDSÄTZLICHE FEHLERSUCHE |
ABLAUF DER GRUNDSÄTZLICHEN
FEHLERSUCHE

KUNDENCHECKLISTE

ALLGEMEINE PRÜFVERFAHREN
BEDINGUNGEN FÜR DIE WIDERSTANDSMESSUNG ELEKTRONISCHER
BAUTEILE
Bei heißem Motor (direkt nach der Fahrt) kann der gemessene Widerstandswert vom
Sollwert abweichen. Widerstände müssen daher, soweit nicht anders vermerkt, bei
Umgebungstemperatur (20°C) gemessen werden.
| • |
Messwerte bei einer anderen Temperatur als der Außentemperatur
(20 °C) sind nur als Anhaltspunkte (Referenzwerte) verwendbar.
|
|
PRÜFABLAUF BEI ZEITWEISE AUFTRETENDEN FEHLFUNKTIONEN
Besonders erschwert wird die Fehlersuche, wenn eine Fehlfunktion nur einmal aufgetreten
ist und nicht einfach reproduziert werden kann. So z.B. bei einem Fehler, der nur
bei kaltem Fahrzeug auftritt, bei betriebswarmem Fahrzeug jedoch nicht mehr. In
diesem Fall sollte die "Kundencheckliste" sehr sorgfältig ausgefüllt werden, damit
alle Bedingungen, unter denen die Fehlfunktion aufgetreten, ist, simuliert werden
können.
| 1. |
Fehlercode(s) löschen.
|
| 2. |
Steckerverbindungen prüfen. Stecker auf unzureichende Verbindung, lose
Kabel, verformte, gebrochene oder korrodierte Klemmen prüfen. Sicherstellen,
dass alle Stecker fest eingerastet und gesichert sind.

|
| 3. |
Stecker und Kabelstränge leicht auf und ab als auch nach links und rechts
bewegen und schütteln.
|
| 4. |
Fehlerhaftes Bauteil instand setzen oder austauschen.
|
| 5. |
Im Rahmen einer Probefahrt sicherstellen, dass die Fehlfunktion nicht
mehr auftritt.
|
● VIBRATIONEN SIMULIEREN
| a. |
Sensoren und Stellglieder
: Sensoren, Stellglieder oder Relais mit den Fingern antippen, um Vibrationen
zu simulieren.
| •
|
Durch zu starke Erschütterungen können Bauteile beschädigt
werden.
|
|
|
| b. |
Stecker und Kabelstrang
: Stecker und Kabelbaum vorsichtig auf und ab und dann hin und her schütteln.
|
● HITZE SIMULIEREN
| a. |
Eventuell fehlerhafte Bauteile mit einem Fön oder einer vergleichbaren
Wärmequelle erwärmen.
| •
|
Bauteile NICHT ZU STARK erwärmen, um Beschädigungen zu
vermeiden.
|
| •
|
ECM NICHT DIREKT erwärmen.
|
|
|
● REGEN SIMULIEREN
| a. |
Fahrzeug mit Wasser berieseln, um Regen bzw. hohe Luftfeuchtigkeit zu
simulieren.
| •
|
Wasserstrahl NICHT in den Motorraum oder auf elektrische
Bauteile richten.
|
|
|
● ELEKTRISCHE LAST SIMULIEREN
| a. |
Alle elektrischen Verbraucher (Radio, Gebläse, Licht, Heckscheibenheizung,
usw.) einschalten, um eine extreme elektrische Last zu simulieren.
|
PRÜFUNG VON KABELSTECKERN
| 1. |
Handhabung von Steckern
| a. |
Beim Trennen von Steckerverbindungen niemals am Kabelstrang ziehen.

|
| b. |
Zum Abziehen verriegelter Stecker erst die Verriegelung durch
Drücke oder Zurückziehen lösen.

|
| c. |
Beim Anklemmen von Steckern auf das Klickgeräusch achten. Dies
zeigt die feste Verriegelung an.

|
| d. |
Messgeräte-Prüfspitzen immer von der Kabelstrangseite her an
die zu prüfende Klemme anlegen.

|
| e. |
Klemmen wasserdichter Kabelstecker von der Klemmenseite her prüfen.
Sie sind von der Kabelstrangseite nicht erreichbar.

|
• |
Feinen Draht als Prüfspitze verwenden, um Beschädigungen
der Klemmen zu vermeiden.
|
|
• |
Klemmen beim Einführen der Prüfspitze nicht beschädigen.
|
|
|
|
| 2. |
Prüfpunkte für Stecker
| a. |
Bei angeklemmtem Stecker:
Stecker halten und Verbindung als auch Verriegelung der Stecker
prüfen.
|
| b. |
Bei abgeklemmtem Stecker:
Stecker auf fehlende, verformte oder beschädigte Klemmen prüfen.
Dazu leicht am Kabelstrang ziehen.
Klemmen auf Oxidation, Verschmutzung und Verformungen sichtprüfen.
|
| c. |
Festen Sitz der Steckerklemmen prüfen:
Neue Klemme (Ersatzteil/Bauart: Stecker) in eine Steckerklemme
(Bauart: Buchse) stecken und Steckerverbindung auf festen Sitz prüfen.
|
| d. |
Leicht an den Adern ziehen, um zu prüfen, ob sie fest in den
Klemmen sitzen.

|
|
| 3. |
Reparieren der Steckverbinderklemme
| a. |
Klemmen mit Druckluft und/oder Putzlappen reinigen.
|
• |
Kein Sandpapier zur Reinigung verwenden, da die
Klemmen sonst beschädigt werden können.
|
|
|
| b. |
Wenn die Kraft zum Anklemmen ungewöhnlich ist, Steckerklemme
(Bauart: Buchse) ersetzen.
|
|
KABELSTRANGPRÜFUNG
| 1. |
Vor dem Ausbau eines Kabelstrangs dessen Verlegung und Befestigung untersuchen,
damit er ordnungsgmeäß wieder eingebaut werden kann.
|
| 2. |
Auf verdrehte, herausgezogene oder lockere Kabelstränge prüfen.
|
| 3. |
Kabelstrang auf ungewöhnlich hohe Temperatur prüfen.
|
| 4. |
Prüfen, ob der Kabelstrang scharfe Kanten berührt oder durch Vibrationen
berühren kann.
|
| 5. |
Anschluss zwischen Kabelstrang und zugehörigem Bauteil prüfen.
|
| 6. |
Wenn die Ummantelung beschädigt ist, Kabelstrang sorgfältig instand setzen
oder ersetzen.
|
STROMKREISPRÜFUNG
● AUF STROMKREISUNTERBRECHUNG PRÜFEN
| 1. |
Stromkreis auf Unterbrechung prüfen
Die Unterbrechung eines Stromkreises (Siehe Abb. 1) kann mit Hilfe des
Prüfschritts 2 (Durchgangsprüfung) oder Prüfschritt 3 (Spannungsprüfung)
ermittelt werden.

|
| 2. |
Durchgangsprüfung
| •
|
Bei der Widerstandsmessung den Kabelbaum leicht auf und
ab sowie nach links und rechts bewegen.
|
|
|
Spezifikation (Widerstand)
1Ω oder geringer → Stromkreis intakt
1 MΩ oder höher → Unterbrechung
|
| a. |
Steckverbinder (A) und (C) abziehen und Leitungswiderstände wie
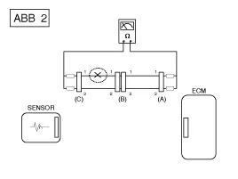
in [ABB. 2] gezeigt zwischen den Steckverbindern (A) und (C) messen.
In [ABB. 2] ist der gemessene Widerstand höher als 1 MΩ für Leitung
1 und niedriger als 1 Ω für Leitung 2. Die Unterbrechung liegt somit
in der Leitung 1 (Leitung 2 ist intakt). Um die exakte Kurzschlussstelle
zu ermitteln, müssen die einzelnen Abschnitte der Leitung 1, wie
im nächsten Prüfschritt beschrieben, geprüft werden.

|
| b. |
Steckverbinder (B) abziehen und Widerstand zwischen Steckverbinder
(C) und (B1) sowie zwischen (B2) und (A) wie in [ABB. 3] gezeigt
messen.
In diesem Fall ist der zwischen Steckverbinder (C) und (B1) gemessene
Widerstand höher als 1 MΩ und der unterbrochene Stromkreis ist zwischen
Klemme 1 des Steckverbinders (C) und Klemme 1 des Steckverbinders
(B1).

|
|
| 3. |
Spannungsprüfung
| a. |
Bei angeklemmten Steckverbindern Spannung wie in [ABB. 1] gezeigt
zwischen Karosseriemasse und der Klemmen 1 der einzelnen Steckverbinder
(A), (B) und (C) messen.
Im Beispiel betragen die gemessenen Spannungen 5 V, 5 V und 0
V. Die Unterbrechung des Stromkreises liegt somit zwischen den Steckern
(C) und (B).

|
|
● AUF KURZSCHLUSS PRÜFEN
| 1. |
Prüfverfahren für Kurzschluss an Masse
| • |
Durchgangsprüfung mit Karosseriemasse
|
Bei einem Kurzschluss an Masse (Siehe ABB. 5) kann der Fehler mit Hilfe
des Prüfschritts 2 (Durchgangsprüfung mit Karosseriemasse) lokalisiert werden.

|
| 2. |
Durchgangsprüfung (mit Karosseriemasse)
| •
|
Bei der Widerstandsmessung Kabelstrang leicht auf und
ab sowie nach links und rechts schütteln.
|
|
|
Spezifikation (Widerstand)
1 Ω oder geringer → Stromkreis an Masse kurzgeschlossen
1 MΩ oder höher → Stromkreis intakt
|
| a. |
Steckverbinder (A) und (C) abklemmen und wie in [ABB. 6] gezeigt
Widerstand zwischen Steckverbinder (A) und Karosseriemasse messen
Der gemessene Widerstand liegt unter 1 Ω für Leitung 1 und über
1 MΩ für Leitung 2. Der Masseschluss liegt somit in Leitung 1. (Leitung
2 ist intakt.) Um die exakte Kurzschlussstelle zu ermitteln, müssen
die einzelnen Abschnitte der Leitung 1, wie im nächsten Prüfschritt
beschrieben, geprüft werden.

|
| b. |
Stecker (B) abklemmen. Widerstand zwischen Stecker (A) und Karosseriemasse
als auch zwischen Stecker (B1) und Karosseriemasse messen (Siehe
Abb. 7).
Der zwischen Stecker (B1) und Fahrwerkmasse gemessene Widerstand
beträgt 1 Ω oder weniger. Der Stromkreis zwischen Klemme 1 von Stecker
(C) und Klemme 1 von Stecker (B1) ist an Masse kurzgeschlossen.

|
|
● Test für Spannungsabfall
Anhand dieses Tests wird überprüft, ob die Spannung entlang eines Kabels abfällt
oder über einen Anschluss oder über einen Schalter.
| A. |
Positive Leitung eines Spannungsmessers an das Kabelende anschließen
(oder an die Seite des Steckers oder des Schalters), das/die der Batterie
am nächsten ist.
|
| B. |
Die negative Leitung an die andere Kabelseite anschließen. (oder an die
andere Seite des Steckers oder des Schalters)
|
| C. |
Den Stromkreis schließen.
|
| D. |
Das Voltmeter zeigt die Spannungsdifferenz zwischen zwei Punkten. Eine
Differenz oder ein Abfall von mehr als 0,1 V (50 mV in 5 V-Stromkreisen)
kann auf eine Störung hinweisen. Den Stromkreis auf lose oder verschmutzte
Anschlüsse prüfen.
|

FEHLERSYMPTOME UND
MÖGLICHE URSACHEN
HAUPTSYMPTOM
|
PRÜFPROZEDUR
|
AUCH PRÜFEN
|
Motor springt nicht ab
(Motor dreht nicht durch)
|
| 1) |
Batterie prüfen.
(Siehe Kapitel EE - "Batterie")
|
| 2) |
Anlasser prüfen.
(Siehe Kapitel EE - "Anlasser")
|
| 3) |
Kupplungsstartschalter (M/T)
|
|
|
Motor springt nicht ab
(unvollständige Verbrennung)
|
| 1) |
Batterie prüfen.
(Siehe Kapitel EE - "Batterie")
|
| 2) |
Kraftstoffdruck prüfen
|
| 3) |
Zündstromkreis prüfen.
(Siehe Motorelektrik - "Zündsystem")
|
| 4) |
Fehlersuche bei Wegfahrsperren.
(Siehe Karosserieelektrik - "Wegfahrsperre")
(Wenn Wegfahrsperrenleuchte blinkt)
|
|
| • |
Zu geringer Kompressionsdruck
|
| • |
Undichtigkeit im Ansaugtrakt
|
| • |
Übergesprungener oder gerissener Steuerriemen
|
| • |
Verschmutzter Kraftstoff
|
|
Anlassprobleme
|
| 1) |
Batterie prüfen.
(Siehe Kapitel EE - "Batterie")
|
| 2) |
Kraftstoffdruck prüfen
|
| 3) |
Kühlmitteltemperatursensor und dessen Stromkreis prüfen (Fehlercodes
auslesen)
|
| 4) |
Zündstromkreis prüfen.
(Siehe Motorelektrik - "Zündsystem")
|
|
| • |
Zu geringer Kompressionsdruck
|
| • |
Undichtigkeit im Ansaugtrakt
|
| • |
Verschmutzter Kraftstoff
|
| • |
Unzureichende Zündfunken
|
|
Leerlaufprobleme
(Rau, ungleichmäßig bzw. falsche Drehzahl)
|
| 1) |
Kraftstoffdruck prüfen.
|
| 2) |
Einspritzventil prüfen.
(Siehe Motorsteuerung - "Einspritzventil")
|
| 3) |
Kurz- und Langzeit-Gemischkorrekturwerte prüfen.
(Siehe KUNDEN-DATENSTROM)
|
| 4) |
Steuerkreis für die Leerlaufdrehzahl überprüfen (DTC überprüfen)
|
| 5) |
Drosselklappengehäuse überprüfen und testen
|
| 6) |
Kühlmitteltemperatursensor und dessen Stromkreis prüfen (Fehlercodes
auslesen)
|
|
| • |
Zu geringer Kompressionsdruck
|
| • |
Undichtigkeit im Ansaugtrakt
|
| • |
Verschmutzter Kraftstoff
|
| • |
Unzureichende Zündfunken
|
|
Motor stirbt ab
|
| 1) |
Batterie prüfen.
(Siehe Kapitel EE - "Batterie")
|
| 2) |
Kraftstoffdruck prüfen.
(Siehe Kraftstoffversorgung - "Kraftstoffdruck")
|
| 3) |
Steuerkreis für die Leerlaufdrehzahl überprüfen (DTC überprüfen)
|
| 4) |
Zündstromkreis prüfen.
(Siehe Motorelektrik - "Zündsystem")
|
| 5) |
Stromkreis des Kurbelwinkelsensors prüfen (Fehlercodes auslesen)
|
|
| • |
Undichtigkeit im Ansaugtrakt
|
| • |
Verschmutzter Kraftstoff
|
| • |
Unzureichende Zündfunken
|
|
Unzureichende Fahreigenschaften
(Ruckeln)
|
| 1) |
Kraftstoffdruck prüfen.
(Siehe Kraftstoffversorgung - "Kraftstoffdruck")
|
| 2) |
Drosselklappengehäuse überprüfen und testen
|
| 3) |
Zündstromkreis prüfen.
(Siehe Motorelektrik - "Zündsystem")
|
| 4) |
Kühlmitteltemperatursensor und dessen Stromkreis prüfen (Fehlercodes
auslesen)
|
| 5) |
Abgassystem auf eventuelle Verengungen prüfen.
(Siehe Motormechanik - "Turbolader und Abgaskrümmer")
|
| 6) |
Langzeit- und Kurzzeit-Gemischregelung überprüfen (Siehe KUNDEN-DATENSTROM)
|
|
| • |
Zu geringer Kompressionsdruck
|
| • |
Undichtigkeit im Ansaugtrakt
|
| • |
Verschmutzter Kraftstoff
|
| • |
Unzureichende Zündfunken
|
|
Klopfen
|
| 1) |
Kraftstoffdruck prüfen.
(Siehe Kraftstoffversorgung - "Restdruck in Kraftstoffleitung
ablassen")
|
| 2) |
Kühlmittel prüfen.
(Motormechanik - "Kühler")
|
| 3) |
Kühler und Kühlerlüfter prüfen.
(Motormechanik - "Kühler")
|
| 4) |
Zündkerzen prüfen.
(Siehe Motorelektrik - "Zündsystem")
|
|
| • |
Verschmutzter Kraftstoff
|
|
Hoher Kraftstoffverbrauch
|
| 1) |
Fahrgewohnheiten des Kunden überprüfen
· Ist die Klimaanlage und/oder die Heckscheibenheizung ständig
eingeschaltet?
· Ist der Reifenluftdruck korrekt?
· Wurden sehr schwere Lasten transportiert?
· Wird häufig zu stark beschleunigt?
|
| 2) |
Kraftstoffdruck prüfen.
(Siehe Kraftstoffversorgung - "Restdruck in Kraftstoffleitung
ablassen")
|
| 3) |
Einspritzventil prüfen.
(Siehe Motorsteuerung - "Einspritzventil")
|
| 4) |
Abgassystem auf eventuelle Verengungen prüfen
|
| 5) |
Kühlmitteltemperatursensor und dessen Stromkreis prüfen (Fehlercodes
auslesen)
|
|
| • |
Zu geringer Kompressionsdruck
|
| • |
Undichtigkeit im Ansaugtrakt
|
| • |
Verschmutzter Kraftstoff
|
| • |
Unzureichende Zündfunken
|
|
Probleme beim Tanken
(Kraftstoff läuft beim Tanken über)
|
| 1) |
Tankeinfüllschlauch/-rohr überprüfen
· Zusammengedrückt, geknickt oder verstopft?
· Tankeinfüllschlauch gerissen
|
| 2) |
Kraftstofftankdampfschlauch zwischen EVAP Aktivkohlebehälter
und Luftfilter untersuchen
|
| 3) |
Aktivkohlebehälter prüfen
|
|
| • |
Störung bei Einfülldüse der Tankstelle (wenn dieses Problem beim
Tanken bei einer bestimmten Tankstelle auftritt)
|
|
Beschreibung und bedienung
Beschreibung
Die stufenlos verstellbare Ventilsteuerung (CVVT) verstellt die Ventilsteuerung
von Einlass- und Auslassventil in Richtung 'früh' oder 'spät' gemäß dem ECM-Steuersignal,
das anhand von Motordrehzahl und -last berechnet wird.
Überprüfen.
überprüfen.
Kraftstofffördersystem
Bauteil
SPEZIFIKATION
Kraftstofftank
Kapazität
45L
KRAFTSTOFFFILTER
Typ
Papierfiltertyp
Kraftstoffdruck
Niederdruck-Kraftstoffleitung
480 ~ 520 kPa (4,9 ~ 5,3 kg/cm²)
Hochdruck-Kraftstoffleitung
2 ~ 20 MPa (20,4 ~ 203,9 kgf/cm²)
Kraftstoffpumpe
Typ
elektrisch, im Tank eingebaut
Antrieb durch
Elektromotor
HOCHDRUCK-KRAFTSTOFFPUMPE
Typ
Mechanische Ausführung
Antrieb durch
Nockenwelle
SENSOREN
Drosselklappensensor
(TPS) [in ETC-Modul integriert]
Pos.
Weitere Informationen:
Reparaturverfahren
Ölspezifikation
1.
Das System HFC-134a benötigt synthetisches Kompressoröl (PAG), während
im System R12 Kompressor-Mineralöl verwendet wird. Die beiden Öle dürfen
auf keinen Fall miteinander vermischt werden.
Beschreibung und bedienung
Beschreibung
Der Kompressor ist die Antriebseinheit der Klimaanlage.
Er befindet sich an der Seite des Motorblocks und wird mit einem Keilrippenriemen
vom Motor angetrieben.
Der Kompressor verändert den niedrigen Druck und das Kältemittelgas mit niedriger
Temperatur in hohen Druck und Kältemittelg