| SPEZIFIKATION |
▷ 13,5V, 130A [Nur ISG]
|
Pos. |
SPEZIFIKATION |
|
Nennspannung |
13,5V, 130A |
|
Drehzahl im Betrieb |
1.000 ~ 18.000 1/min |
|
Spannungsregler |
Integrierter IC-Regler |
|
ECM-Schnittstellentypregler |
LIN-Kommunikation |
|
Regulierspannung (Interner Modus) |
14,5 ± 0,3 V |
|
Stecker |
1 Stift (COM) |
|
Riemenscheibe, Bauart |
OAP |
OAP : Überlauf-Generatorriemenscheibe |
▷ 13,5V, 120A [NON-ISG]
|
Pos. |
SPEZIFIKATION |
|
Nennspannung |
13,5 V, 120 A |
|
Drehzahl im Betrieb |
1.000 ~ 18.000 1/min |
|
Spannungsregler |
Integrierter IC-Regler |
|
ECM-Schnittstellentypregler |
LIN-Kommunikation |
|
Regulierspannung (Interner Modus) |
14,5 ± 0,3 V |
|
Stecker |
1 Stift (COM) |
|
Riemenscheibe, Bauart |
OAP |
OAP : Überlauf-Generatorriemenscheibe |
| BAUTEILE-ÜBERSICHT |

| 1. Riemenscheibe
2. Vordere Halterung 3. Vorderes Lager 4. Stator 5. Rotor 6. Hinteres Lager |
7. Hintere
Halterung 8. Bürstenträger 9. Langschraube 10. Gleichrichter 11. Hintere Abdeckung |
| Beschreibung |
Die Lichtmaschine enthält acht integrierte Dioden, die den Wechselstrom (AC) in Gleichstrom (DC) umwandeln.
Dadurch liefert die Klemme "B" der Lichtmaschine Gleichstrom.
Zusätzlich wird die Ladespannung des Generators vom Batteriespannungserfassungssystem geregelt.
Die Hauptbestandteile der Lichtmaschine sind der Läufer, der Ständer, der Gleichrichter, die Kohlebürsten, die Lager und die Keilriemenscheibe.
Der Bürstenhalter enthält einen integrierten elektronischen Spannungsregler.

| 1. Bürste 2. OAP : Überlauf-Generatorriemenscheibe 3. Rotor 4. Stator 5. Gleichrichter |
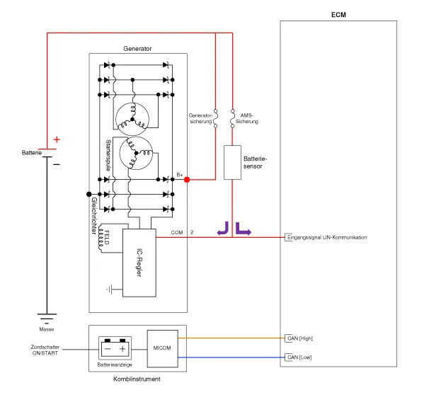
| Schaltplan |

|
| Ausbau |
| 1. |
Zündung ausschalten und Batterieminuspol (-) abklemmen. |
| 2. |
Befestigungsmutter (A) lösen, dann Generatorklemme "B" abklemmen. |
| 3. |
Generatorsteckverbinder (B) abziehen.
|
| 4. |
Befestigungsschrauben lösen, dann Kühlmittelschlauchhalterung (A) lösen.
|
| 5. |
Befestigungsschraube und -mutter (A) des Ausgleichsbehälters entfernen.
|
| 6. |
Fahrzeug anheben. |
| 7. |
Befestigungsschrauben lösen, dann die untere Motorraumabdeckung (A) abnehmen.
|
| 8. |
Antriebsriemen abnehmen. |
| 9. |
Befestigungsschrauben lösen, dann Riemenscheibe (A) entfernen. |
| 10. |
Untere Befestigungsschrauben lösen, dann Befestigungshalterung (A) des Generators entfernen.
|
| 11. |
Obere Befestigungsschraube (A) des Generators ausschrauben.
|
| Einbau |
| 1. |
Der Einbau erfolgt in der umgekehrten Reihenfolge des Ausbaus. |
| 2. |
Nach dem Einbau der Lichtmaschine den Antriebsriemen spannen. (Siehe Motormechanik - "Antriebsriemen") |
| 3. |
Lichtmaschine einbauen. |
| ZERLEGUNG |
| 1. |
Hinteren Gehäusedeckel (A) abbauen.
|
| 2. |
Befestigungsschrauben lösen, dann Reglereinheit (A) ausbauen.
|
| 3. |
OAP-Kappe entfernen (A).
|
| 4. |
Mit dem Spezialwerkzeug (09373-27000) OAP-Riemenscheibe (A) ausbauen.
|
| 5. |
Statorkabel abklemmen, dann die Gleichrichtereinheit (A) ausbauen.
|
| 6. |
Die Langschrauben (A) lösen.
|
| 7. |
Rotor (A) und Gehäuse (B) voneinander trennen.
|
| Zusammenbau |
| 1. |
Der Zusammenbau erfolgt in der umgekehrten Reihenfolge der Zerlegung.
|
| PRÜFUNG |
| [Rotor] |
| 1. |
Auf Durchgang zwischen den Schleifringen (C) prüfen.
|
| 2. |
Sicherstellen, dass zwischen den Schleifringen und dem Rotor (B) oder der Rotorwelle (A) kein Durchgang vorhanden ist. |
| 3. |
Wenn der Rotor eine der Durchgangsprüfungen nicht besteht, den Generator ersetzen. |
| [Stator] |
| 1. |
Alle Spulenleitungspaare (A) auf vorhandenen Durchgang prüfen.
|
| 2. |
Sicherstellen, dass zwischen allen Spulenleitungen und dem Spulenkern kein Durchgang vorhanden ist. |
| 3. |
Wenn die Spule eine der Durchgangsprüfungen nicht besteht, den Generator ersetzen. |
Bauteile und bauteile-Übersicht BAUTEILE-ÜBERSICHT Beschreibung und bedienung Beschreibung Der ISG-AUS-Schalter an der Bodenkonsole kann verwendet werden, um die ISG-Funktion zu deaktivieren.
Technische daten SPEZIFIKATION ▷12V, 1,2kW : Nur ISG Pos. SPEZIFIKATION Nennspannung 12 V, 1,2 kW Anzahl der Ritzelzähne 13 Leistung [Keine Last, 11,5 V] Ampere Max.
Bauteile und bauteile-Übersicht BAUTEILE-ÜBERSICHT 1. Sitzheizungsschalter Fahrerseite 2. Sitzheizungsschalter Beifahrerseite Beschreibung und bedienung Beschreibung Intelligente Steuerungstechnologie der Sitzheizung • Um Niedertemperatur-Verbrennung zu vermei
Beschreibung und bedienung Beschreibung In der Heizungseinheit sind der Modus-Stellantrieb und der Temperatur-Stellantrieb eingebaut. Der Temperatur-Stellantrieb befindet sich an der Heizungseinheit. Er regelt die Temperatur wie folgt : Durch ein Signal vom Steuergerät wird die Temperaturklappe durch entsprechende Betätigung