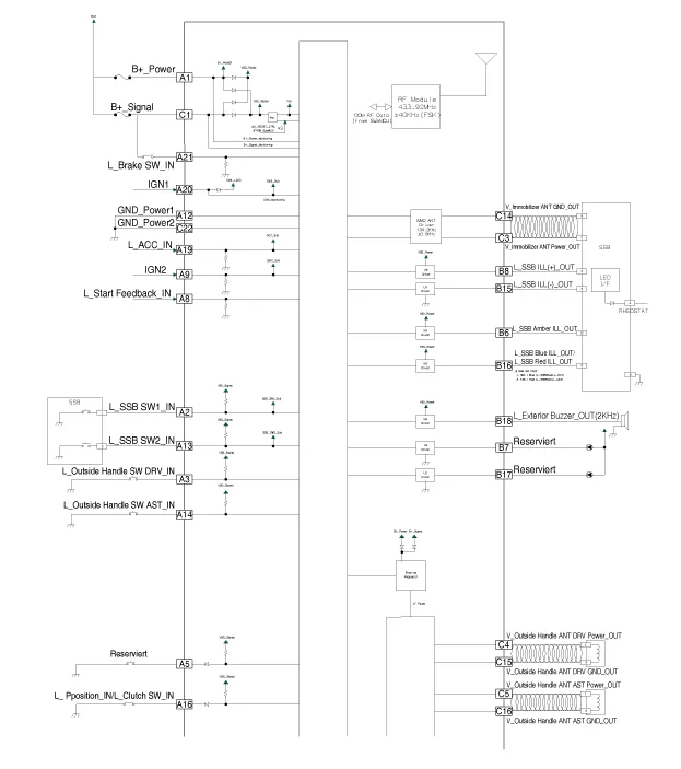
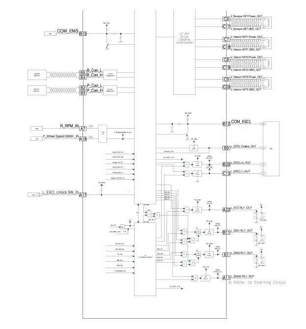
| BAUTEILE-ÜBERSICHT |

BELEGUNG DER STECKERKLEMMEN
|
Nr. |
STECKER A |
STECKER B |
STECKER C |
|
1 |
- |
ZÜNDUNG 2-Relaisausgang |
Battery (+)_signal |
|
2 |
SSB switch1 signal_input |
P-CAN (Low) |
- |
|
3 |
Driver door outside handle switch_input |
P-CAN (High) |
Immobilizer antenna (Power)_output |
|
4 |
- |
C-CAN [High] |
Driver outside handle antenna (Power)_output |
|
5 |
- |
C-CAN [Low] |
Passenger outside handle antenna (Power)_output |
|
6 |
- |
SSB Amber illumination_output |
Bumper antenna (Power)_output |
|
7 |
RPM signal_input |
- |
Interior antenna 1 (Power)_output |
|
8 |
Start signal feedback_input |
SSB Illumination (-)_output |
Interior antenna 2 (Power)_output |
|
9 |
IGN2 |
Ausgangssignal ESCL aktivieren |
Interior antenna 3 (Power)_output |
|
10 |
- |
Batterie (+) (Strom) |
- |
|
11 |
Ausgangssignal Starterrelais |
ZÜNDUNG 1-Relaisausgang |
- |
|
12 |
Masse_Strom1 |
ESCL (COM) |
- |
|
13 |
SSB switch2 signal_input |
EMS (COM) |
ESCL_Ground (-)_output |
|
14 |
Assist door outside handle switch_input |
- |
Immobilizer antenna (Ground)_output |
|
15 |
- |
SSB Illumination (-)_output |
Driver outside handle antenna (Ground)_output |
|
16 |
AT : "P" Positon_input MT : Clutch switch_input |
SSB Illumination (Blue)_output SSB Illumination (Red)_output |
Passenger outside handle antenna (Ground)_output |
|
17 |
ESCL Unlock switch_input |
- |
Bumper antenna (Ground)_output |
|
18 |
Raddrehzahlsensoreingang |
Exterior buzzer_output |
Interior antenna 1 (Ground)_output |
|
19 |
ACC signal_input |
- |
Interior antenna 2 (Ground)_output |
|
20 |
IGN1 |
ESCL (-)_output |
Interior antenna 3 (Ground)_output |
|
21 |
Eingang Bremsschalter |
|
- |
|
22 |
Klimaanlagen-Relaisausgang |
Masse_Strom2 |
| Schaltplan |


| Ausbau |
Handschuhe tragen, um Handverletzungen zu vermeiden. |
|
Smart Key-Einheit
| 1. |
Batteriemassekabel abklemmen. |
| 2. |
Handschuhfach ausbauen. (Siehe Karosserie - "Handschuhfach") |
| 3. |
Steckverbinder (A) abziehen, dann Smartkey-Einheit (B) ausbauen.
|
| 4. |
Befestigungsmuttern lösen, dann Smartkey-Einheit (A) ausbauen.
|
Innenraum 1 Antenne
| 1. |
Batteriemassekabel abklemmen. |
| 2. |
Heizungs- und Klimaanlagensteuergerät ausbauen. (siehe Heizung, Lüftung, Klimaanlage - "Heizungs- und Klimaanlagen-Steuergerät (MANUELL)) (Siehe Heizung, Lüftung und Klimaanlage - "Heizungs- und Klimaanlagen-Steuergerät (FATC)") |
| 3. |
Befestigungsschrauben lösen und Steckverbinder (B) abziehen, dann Innenantenne 1 (A) ausbauen.
|
Innenraum 2 Antenne
| 1. |
Batteriemassekabel abklemmen. |
| 2. |
Bodenkonsole ausbauen. (Siehe Karosserie - "Bodenkonsoleneinheit") |
| 3. |
Steckverbinder (A) der Innenraumantenne 2 abziehen.
|
| 4. |
Befestigungsschrauben lösen, dann die Innenantenne 2 (A) ausbauen.
|
Heckklappenantenne
| 1. |
Batteriemassekabel abklemmen. |
| 2. |
Die hintere Querverkleidung herausnehmen. (Siehe Karosserie - "Heckquerträgerverkleidung") |
| 3. |
Befestigungsmuttern lösen und Steckverbinder (B) abziehen, dann Heckklappenantenne (A) entfernen.
|
Hintere Stoßfängerantenne
| 1. |
Batteriemassekabel abklemmen. |
| 2. |
Den hinteren Stoßfänger ausbauen. (Siehe Karosserie - "Hinterer Stoßfänger") |
| 3. |
Befestigungsschrauben lösen und Steckverbinder (B) abziehen, dann hintere Stoßfängerantenne (A) entfernen.
|
WARNTON
| 1. |
Batteriemassekabel abklemmen. |
| 2. |
Die vordere Stoßstange ausbauen. (Siehe Karosserie - "Vorderer Stoßfänger") |
| 3. |
Nach Abziehen des Steckverbinders den Summer (A) ausbauen.
|
Türaußengriff
| 1. |
Batteriemassekabel abklemmen. |
| 2. |
Außentürgriff ausbauen. (Siehe Karosserie - "Vordertür-Außengriff")
|
Schalter Heckklappe offen
| 1. |
Batteriemassekabel abklemmen. |
| 2. |
Heckklappenverkleidung abbauen. (Siehe Karosserie - "Heckklappenverkleidung") |
| 3. |
Steckverbinder (A) des Schalters zum Öffnen der Heckklappe abziehen.
|
| 4. |
Heckklappen-Öffnungsschalter (A) durch Drücken der Sicherheitsstifte entfernen.
|
| PRÜFUNG |
Smart Key-Einheit
(Siehe Smartkey-System - "Smartkey-Diagnose")
Schalter Smart Key
(Siehe Smartkey-System - "Smartkey-Diagnose")
ANTENNE
(Siehe Smartkey-System - "Smartkey-Diagnose")
Türaußengriff
| 1. |
Steckverbinder des Vordertür-Außengriffs (A) abziehen.
|
| 2. |
Zwischen den Klemmen Nr. 2 und Nr. 4 auf Durchgang prüfen.
|
Schalter Heckklappe offen
| 1. |
Zwischen den Klemmen des Heckklappen-Öffnungsschalters auf Durchgang prüfen.
|
| 2. |
Wenn die Durchgangsmessung nicht der Spezifikation entspricht, den Schalter Überprüfen..
|
| Einbau |
Smart Key-Einheit
| 1. |
Steckverbinder anschließen, dann Smartkey-Einheit einbauen. |
| 2. |
Handschuhfach einbauen. |
| 3. |
Minuspol (-) der Batterie anschließen und Smart-Key-System prüfen. |
Innenraum 1 Antenne
| 1. |
Innenraum 1 Antenne einbauen. |
| 2. |
Heizungs- und Klimaanlagensteuerung einbauen. |
| 3. |
Minuspol (-) der Batterie anschließen und Smart-Key-System prüfen. |
Innenraum 2 Antenne
| 1. |
Innenraum 2 Antenne einbauen. |
| 2. |
Bodenkonsole einbauen. |
| 3. |
Minuspol (-) der Batterie anschließen und Smart-Key-System prüfen. |
Heckklappenantenne
| 1. |
Heckklappenantenne installieren. |
| 2. |
Querträgerverkleidung im Kofferraum anbringen. |
| 3. |
Minuspol (-) der Batterie anschließen und Smart-Key-System prüfen. |
Hintere Stoßfängerantenne
| 1. |
Hintere Stoßfängerantenne einbauen. |
| 2. |
Hinteren Stoßfänger montieren. |
| 3. |
Minuspol (-) der Batterie anschließen und Smart-Key-System prüfen. |
WARNTON
| 1. |
Summer einbauen. |
| 2. |
Vorderen Stoßfänger einbauen. |
| 3. |
Minuspol (-) der Batterie anschließen und Smart-Key-System prüfen. |
Türaußengriff
| 1. |
Vordertüraußengriff einbauen. |
| 2. |
Minuspol (-) der Batterie anschließen und Smart-Key-System prüfen. |
Schalter Heckklappe offen
| 1. |
Heckklappenkontaktschalter einbauen. |
| 2. |
Steckverbinder des Heckklappen-Öffnungsschalters anschließen. |
| 3. |
Heckklappenverkleidung einbauen. |
| 4. |
Minuspol (-) der Batterie anschließen und Smart-Key-System prüfen. |
Reparaturverfahren Smart Key Speichern des Smart-Key-Codes 1. Das KDS an den Diagnosestecker (16P) unter der Armaturenbrettabdeckung auf der Fahrerseite anschließen und einschalten.
Reparaturverfahren PRÜFUNG Selbstdiagnose mit dem Scan-Tool Mit dem KDS können Defekte am SMART KEY-System schnell erkannt werden. Das KDS kann den Stellantrieb mit Gewalt betätigen, den Eingabe-/Ausgabewert überwachen und die Selbstdiagnose durchführen.
Reparaturverfahren PRÜFUNG HECKSCHEIBENWISCHERMOTOR 1. Kabelstecker vom Wischermotor hinten abklemmen. 2. Das positive (+) Batteriekabel an die Klemme 4 und das negative (-) Batteriekabel an die Klemme 3 anschließen.
Reparaturverfahren PRÜFUNG Selbstdiagnose mit dem Scan-Tool Mit dem KDS können Defekte am SMART KEY-System schnell erkannt werden. Das KDS kann den Stellantrieb mit Gewalt betätigen, den Eingabe-/Ausgabewert überwachen und die Selbstdiagnose durchführen.