| BAUTEILE-ÜBERSICHT |

| 1. Stecker des Raddrehzahlsensors
vorne links |
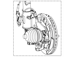
2. Vorderraddrehzahlsensor
|
| Ausbau |
| 1. |
Vorderräder und -reifen abmontieren.
|
| 2. |
Schraube (A) lösen, dann den Raddrehzahlsensor abtrennen.
|
| 3. |
Die Vorderräder entfernen. (Siehe Karosserie - "Vorderer Radkasten") |
| 4. |
Steckverbinder (A) des Raddrehzahlsensors abziehen.
|
| 5. |
Der Einbau erfolgt in der umgekehrten Reihenfolge des Ausbaus. |
| PRÜFUNG |
| 1. |
Die Ausgangsspannung zwischen der Klemme des Raddrehzahlsensors und Karosseriemasse messen.
|
| 2. |
Die nderung des Ausgangsspannung des Raddrehzahlsensors mit der normalen nderung der Ausgangsspannung vergleichen, wie nachfolgend dargestellt.
|
Bauteile und bauteile-Übersicht BAUTEILE-ÜBERSICHT 1. ABS-Steuermodulstecker 2. ABS-Steuergerät 3. ABS-Halterung Reparaturverfahren Ausbau 1.
Bauteile und bauteile-Übersicht BAUTEILE-ÜBERSICHT Reparaturverfahren Ausbau 1. Hinterräder und -reifen abmontieren.
Bauteile und bauteile-Übersicht BAUTEILE-ÜBERSICHT Reparaturverfahren Ausbau 1. Batteriemassekabel abklemmen. 2. Untere Armaturenbrettverkleidung abbauen. (Siehe Karosserie - "Untere Armaturenbrettverkleidung") 3.
Bauteile und bauteile-Übersicht BAUTEILE-ÜBERSICHT 1. Kamera für die Rückansicht 2. AVN-Haupteinheit 3. Lenkwinkelsensor Beschreibung und bedienung Beschreibung 1. Um die Sicht des Fahrers nach hinten zu verbessern, wird ein Bildsignal von der Fahrzeugrücks