Kia Stonic (YB): Bremsanlage / ABS (Antiblockiersystem)

Kia Stonic (YB) Reparaturanleitung / Bremsanlage / ABS (Antiblockiersystem)

Bauteile und bauteile-Übersicht

BAUTEILE-ÜBERSICHT

1. ABS-Steuermodul
2. Vorderrad-Drehzahlsensor
3. Hinterraddrehzahlsensor

Beschreibung und bedienung

Beschreibung

Diese Spezifikation gilt für die hydraulische Steuereinheit (HCU) und für die elektronische Steuereinheit (ECU) der hydraulischen und elektronischen Steuereiheit (HECU)

Diese Spezifikation gilt für die Verkabelung sowie für den Einbau von ABS ECU.

Diese Einheit hat die folgenden Funktionen.

Aufnahme der Raddrehzahlsignale über die Raddrehzahlsensoren, die an allen 4 Rädern angebracht sind.

Steuerung der Bremskraft

Sicherheitsfunktion.

Eigendiagnose.

Interface für den Anschluss eines externen Diagnosegeräts.

Einbauposition: Motorraum

Die Länge des Bremsrohrs von der ffnung im Hauptbremszylinder bis zur Einlassöffnung des HECU sollte max. 1 m betragen

Sie sollte sich nicht in der Nähe des Motorblocks und nicht unter dem Rad befinden.

ARBEITSWEISE

Die ECU sollte anfangen zu arbeiten, sobald die Betriebsspannung eingeschaltet wird (IGN).

Bei Beendigung der Initialisierungsphase sollte das ECU funktionstüchtig sein.

Während des Betriebs solte das ECU innerhalb der spezifizierten Grenzen (Spannung und Temperatur) in der Lage sein, die verschiedenen Signale von den verschiedenen Sensoren und Schaltern in bereinstimmung mit dem Kontrollalgorithmus, der von der Software definiert wird, zu verarbeiten und die hydraulischen und elektrischen Regler zu steuern.

Verarbeitung des Radsensorsignals

Das ECU sollte das Raddrehzahlsignal von den vier aktiven Radsensoren erhalten.

Die Radsignale werden vom Signalaufbereitungskreis nach Empfang des Stromsignals von den aktiven Radsensoren in ein Spannungssignal umgewandelt und als Eingang an das MCU gesendet.

Magnetventilsteuerung

Wenn eine Seite der Ventilspule an positive Stromspannung, die duch das Ventilrelais geliefert wird, angeschlossen ist und die andere Seite durch die Halbleiterschaltung an Masse, beginnt das Magnetventil zu arbeiten.

Die elektrische Funktion der Spulen wird unter normalen Betriebsbedingungen ständig durch den Ventiltestimpuls überprüft.

Spannungsgrenzwerte

berspannung

Wenn eine überspannung erfasst wird (Über 16,8 V), schaltet die ECU sowohl das Ventilrelais als auch das System aus.

Wenn die Spannung wieder innerhalb des normalen Betriebsbereichs liegt, kehrt das System nach der Initialisierungsphase wieder zum normalen Betrieb zurück.

Unterspannung

Im Falle einer Unterspannung (unter 9,3 V) wird die ABS-Steuerung blockiert und die Warnleuchte leuchtet auf.

Wenn die Spannung sich wieder innerhalb des Betriebsbereichs befindet, wird die Warnleuchte ausgeschaltet und das ECU kehrt wieder zu normalem Betrieb zurück.

berprüfung des Pumpenmotors

Das ECU führt bei einer Geschwindigkeit von 30km/h eine Prüfung des Pumpenmotors durch, nachdem die Zündung eingeschaltet wurde.

Diagnose-Schnittstelle

Fehler, die durch das ECU entdeckt werden, werden vom ECU verschlüsselt, in einem EEPROM gespeichert und von einem Diagnosegerät ausgelesen, wenn die Zündung eingeschaltet wird.

Die Diagnose-Schnittstelle kann verwendet werden, um das ECU während der Fertigung des ECUs zu prüfen und um das HCU zu betätigen (Entlüftungsleitung oder Rollen- und Bremsenprüfleitung).

WARNLEUCHTENMODUL

1.

ABS-WARNLEUCHTE

Die eingeschaltete ABS-Warnleuchte weist auf eine Selbstprüfung sowie auf einen ABS-Fehlerzustand hin. Die ABS-Warnleuchte ist eingeschaltet:

während der Initialisierungsphase nach Einschalten der Zündung. (kontinuierlich 3 Sekunden lang).

Wenn die ABS-Funktion wegen eines Fehlers deaktiviert ist.

Im Diagnosemodus.

Wenn der ECU-Steckverbinder vom ECU abgezogen wird.

2.

EBD-/Feststellbremsen-Warnleuchte

Die aktive EBD-Warnleuchte weist auf eine Selbstprüfung sowie auf einen EBD-Fehlerzustand hin. Wenn allerdings der Feststellbremsschalter eingeschaltet ist, leuchtet die EBD-Warnleuchte stets auf, ungeachtet des Betriebszustands des EBD-Systems. Die EBD-Warnleuchte ist eingeschaltet:

während der Initialisierungsphase nach Einschalten der Zündung. (kontinuierlich 3 Sekunden lang).

Bei eingeschaltetem Feststellbremsschalter oder bei niedrigem Stand der Bremsflüssigkeit.

Bei defekter EBD-Funktion.

Im Diagnosemodus.

Wenn der ECU-Steckverbinder vom ECU abgezogen wird.

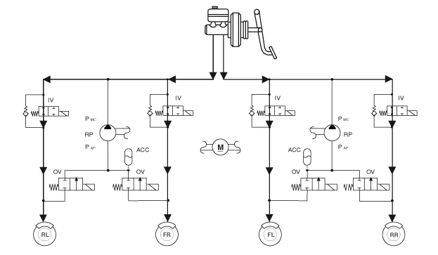
ABS-STEUERUNG
1.

NORMALES BREMSEN ohne ABS


Einlassventil (IV)
Auslassventil (OV)
Rücklaufpumpe
ARBEITSWEISE
öffnen
schließen
Aus

  

IV: Einlassventil

OV: Auslassventil

RL: Linkes Hinterrad

FR: Rechtes Vorderrad

FL: Linkes Vorderrad

RR: Rechtes Hinterrad

RP: Rücklaufpumpe

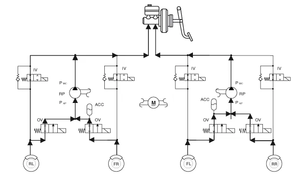
2.

VERZÖGERUNGSMODUS


Einlassventil (IV)
Auslassventil (OV)
Rücklaufpumpe
ARBEITSWEISE
schließen
öffnen
EIN (Motordrehzahlregulierung)

  

IV: Einlassventil

OV: Auslassventil

RL: Linkes Hinterrad

FR: Rechtes Vorderrad

FL: Linkes Vorderrad

RR: Rechtes Hinterrad

RP: Rücklaufpumpe

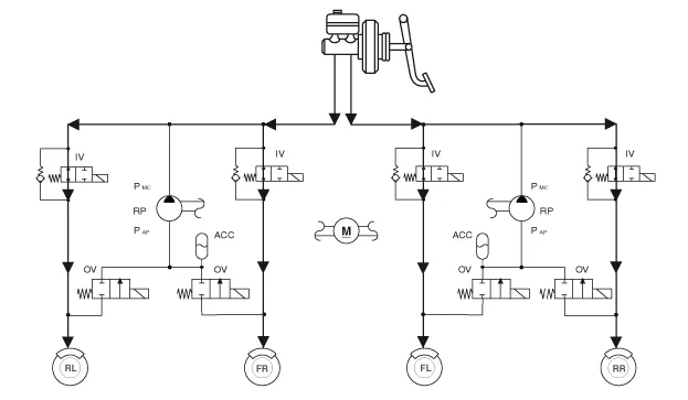
3.

Haltemodus


Einlassventil (IV)
Auslassventil (OV)
Rücklaufpumpe
ARBEITSWEISE
schließen
schließen
EIN (Motordrehzahlregulierung)

  

IV: Einlassventil

OV: Auslassventil

RL: Linkes Hinterrad

FR: Rechtes Vorderrad

FL: Linkes Vorderrad

RR: Rechtes Hinterrad

RP: Rücklaufpumpe

4.

Druck aufbauen


Einlassventil (IV)
Auslassventil (OV)
Rücklaufpumpe
ARBEITSWEISE
öffnen
schließen
EIN (Motordrehzahlregulierung)

  

IV: Einlassventil

OV: Auslassventil

RL: Linkes Hinterrad

FR: Rechtes Vorderrad

FL: Linkes Vorderrad

RR: Rechtes Hinterrad

RP: Rücklaufpumpe

Schematische darstellungen

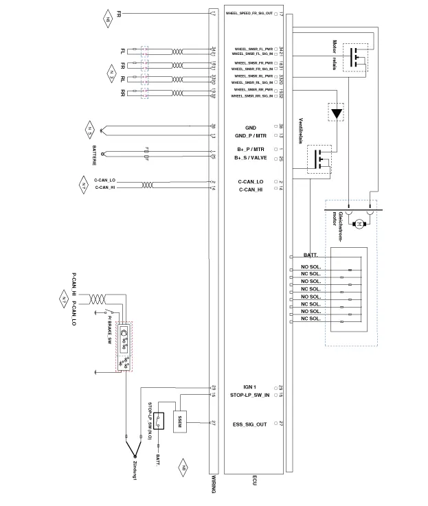
Schaltplan

KLEMMENBESCHREIBUNG

STIFT-Nr.
Beschreibung
Strom
Widerstand
BEMERKUNG
(AMPS)
(mΩ)
1
B+ PUMPENMOTORSTROM
137(RUSH)
10

2
C_CAN LOW
30 mA
250

13
GND_MASSE DES PUMPENMOTORS
137(RUSH)
10

14
C_CAN HIGH
30 mA
250

16
Bremslichtschalter
10 mA
250

17
Raddrehzahlsensor (vorne rechts)
16mA
250

18
STROM RADDREHZAHLSENSOR (FR)
30 mA
250

19
STROM RADDREHZAHLSENSOR (RR)
30 mA
250

20
MASSE RADDREHZAHLSENSORSIGNAL (RL)
16,8 mA
250

21
MASSE RADDREHZAHLSENSORSIGNAL (FL)
16,8 mA
250

25
BATTERIE (+)-MAGNET
40
10

27
ESS-Antriebssignal
200mA
250

29
Zündung 1
50mA
60

31
MASSE RADDREHZAHLSENSORSIGNAL (FR)
16,8mA
250

32
MASSE RADDREHZAHLSENSORSIGNAL (RR)
16,8mA
250

33
STROM RADDREHZAHLSENSOR (RL)
30 mA
250

34
STROM RADDREHZAHLSENSOR (FL)
30 mA
250

38
Masse
40
10


Bauteile und bauteile-Übersicht BAUTEILE-ÜBERSICHT 1. Feststellbremshebel 2. Equalizer 3. Hinterer Feststellbremsenseilzug Reparaturverfahren Ausbau    Die Parkbremsseile müssen weder verbogen noch verzert sein.

Bauteile und bauteile-Übersicht BAUTEILE-ÜBERSICHT 1. ABS-Steuermodulstecker 2. ABS-Steuergerät 3. ABS-Halterung Reparaturverfahren Ausbau 1.

Weitere Informationen:

Kia Stonic (YB) Reparaturanleitung: Warnblinkerschalter

Reparaturverfahren PRÜFUNG 1. Zwischen den Klemmen auf Durchgang prüfen. Wenn der Durchgang nicht der Vorgabe entspricht, den Warnblinkerschalter ersetzen. Nr. Beschreibung Nr.

Kia Stonic (YB) Reparaturanleitung: Auto-Beschlagentfernungssensor (nur FATC)

Beschreibung und bedienung Beschreibung Der Auto-Beschlagentfernungssensor ist an der Windschutzscheibe angebracht. Der Auto-Beschlagentfernungssensor erkennt Feuchtigkeit auf der Windschutzscheibe. Das Klimaanlagensteuergerät empfängt das Signal vom Sensor und entfernt den Beschlag durch Steuerung des Einlass-Stellantriebs, d

Kategorien

 
Copyright © 2026 www.stonicde.com - 0.0222