| SPEZIFIKATION |
▷12V, 1,2kW : Nur ISG
|
Pos. |
SPEZIFIKATION |
|
|
Nennspannung |
12 V, 1,2 kW |
|
|
Anzahl der Ritzelzähne |
13 |
|
|
Leistung [Keine Last, 11,5 V] |
Ampere |
Max. 117 A |
|
GESCHWINDIGKEIT |
Min. 3.200 1/min |
|
▷12V, 0,9kW : OHNE ISG
|
Pos. |
SPEZIFIKATION |
|
|
Nennspannung |
12 V, 0,9 kW |
|
|
Anzahl der Ritzelzähne |
11 |
|
|
Leistung [Keine Last, 11,5 V] |
Ampere |
Max. 85 A |
|
GESCHWINDIGKEIT |
Min. 3.300 1/min |
|
| BAUTEILE-ÜBERSICHT |

| 1. Vorderes
Gehäuse 2. Anschlagring 3. Anschlag 4. Freilaufkupplung 5. Hohlrad 6. Planetenwelleneinheit 7. Planetenradsatz 8. Dichtung 9. Abschirmung |
10. Hebelblech
11. Hebelmanschette 12. Hebel 13. Magnetschalter 14. Anker 15. Gabelstück 16. Bürstenträger 17. Langschraube |
| Beschreibung |
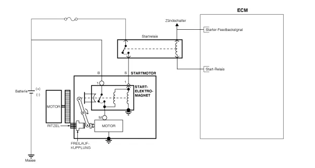
Das Startsystem besteht aus Batterie, Starter, Magnet-, Zünd- und Sperrschalter (A/T), Kupplungspedalschalter (M/T), Zündschlossschalter, Verbindungskabeln und Batteriekabel.
Wenn der Zündschalter in die Stellung 'START' gedreht wird, fließt elektrischer Strom und legt die Magnetspule des Anlassers an Spannung.
Wenn die Stromzufuhr eingeschaltet ist, werden Einrückanker und Kupplungshebel aktiviert, das Kupplungsritzel wird in den Zahnkranz eingerückt und schließt die Kontakte und der Startermotor wird gedreht.
Um eine Beschädigung des Ankers durch unzulässige Drehzahlen beim Anlassen des Motors zu verhindern, ist eine Freilaufkupplung eingebaut.
Bei Ausstattung mit ISG-Funktion muss der Anlassermotor erheblich mehr Arbeit leisten. Der Starter ist daher für eine beträchtlich höhere Anzahl von Startzyklen konfiguriert. Die Bauteile des Starters wurden an die höheren Anforderungen angepasst.

| 1. Magnetventil 2. Bürste 3. Anker 4. Freilaufkupplung |
| Schaltplan |

| Ausbau |
| 1. |
Zündung ausschalten und Batterieminuspol (-) abklemmen. |
| 2. |
Luftfilter herausnehmen. (Siehe Kapitel Motormechanik - "Luftfilter") |
| 3. |
Batterie ausbauen. (Siehe Kapitel EE - "Batterie") |
| 4. |
Das Kabel von der Generatorklemme "B" (A) entfernen.
|
| 5. |
Befestigungsmutter von Startermagnetklemme "B" entfernen, dann Starterzug (B) und ST-Steckverbinder (A) entfernen.
|
| 6. |
Die obere Starter-Befestigungsschraube (A) entfernen.
|
| 7. |
Fahrzeug anheben. |
| 8. |
Befestigungsschrauben lösen, dann die untere Motorraumabdeckung (A) abnehmen.
|
| 9. |
Antriebsriemen abnehmen. |
| 10. |
Stecker (A) des Öldruckschalters abziehen.
|
| 11. |
Kompressorsteckverbinder abziehen und dann durch Lösen der Befestigungsschrauben den Abstand zwischen Kompressor (A) und Motor verbreitern, um den Starter auszubauen.
|
| 12. |
Die untere Starter-Befestigungsschraube (A) entfernen.
|
| Einbau |
| 1. |
Der Einbau erfolgt in der umgekehrten Reihenfolge des Ausbaus. |
| Zusammenbau |
| 1. |
Der Zusammenbau erfolgt in der umgekehrten Reihenfolge der Zerlegung. |
| PRÜFUNG |
| ANKER PRÜFEN UND TESTEN |
| 1. |
Anlasser ausbauen. |
| 2. |
Anlasser, wie vorher in diesem Abschnitt beschrieben, zerlegen. |
| 3. |
Anker auf Verschleiß oder Beschädigung durch Kontakt mit dem Permanentmagneten prüfen. Wenn der Anker verschlissen oder beschädigt ist, Anker ersetzen.
|
| 4. |
Kollektoroberfläche prüfen. Wenn die Oberfläche verschmutzt oder verbrannt ist, Oberfläche auf einer Drehbank innerhalb der folgenden Spezifikationen nacharbeiten.
|
| 5. |
Kollektor-Außendurchmesser prüfen. Wenn der Durchmesser die Spezifikation unterschreitet, Anker ersetzen.
|
| 6. |
Schlag des Kollektors (A) messen.
|
| 7. |
Einschnitttiefe (A) zwischen den Segmenten messen. Wenn keine Einschnitttiefe vorhanden ist (B), sondern berstand, Einschnitte mit einem geeigneten Sägeblatt auf die spezifizierte Tiefe nacharbeiten. Ablagerungen (C) aus allen Einschnitten entfernen. Die Einschnitte soll nicht rundlich und nicht zu schmal und auch nicht V-förmig (D) sein.
|
| 8. |
Auf Durchgang zwischen den Segmenten des Kollektors prüfen. Wenn zwischen beliebigen Segmenten eine Unterbrechung besteht, Anker ersetzen.
|
| 9. |
Mit einem Ohmmeter überprüfen, dass zwischen dem Kollektor (A) und der Ankerspule (B) kein Durchgang besteht. Auch überprüfen, dass zwischen dem Kollektor (A) und der Ankerwelle (C) kein Durchgang besteht. Wenn Durchgang vorhanden ist, Anker ersetzen.
|
ANLASSERBÜRSTE PRÜFEN
Bürsten, die verschlissen oder verölt sind, müssen ersetzt werden

Um neue Bürsten anzuschleifen, Sandpapier mit der Körnung 500 oder 600 verwenden. Sandpapier mit der Reibfläche nach außen zwischen Kollektor und Bürsten einsetzen und den Anker vorsichtig drehen. Die Kontaktflächen der Bürsten werden dadurch entsprechend der Kontur des Kollektors angeschliffen. |
ANLASSERBÜRSTENHALTER PRÜFEN
| 1. |
Sicherstellen, dass kein Stromdurchgang zwischen dem Bürstenhalter (A) (+) und der Platte (B) (-) besteht. Wenn Durchgang vorhanden ist, Bürstenhalter ersetzen.
|
FREILAUFKUPPLUNG PRÜFEN
| 1. |
Freilaufkupplung auf der Welle entlang schieben. Ersetzen, wenn das Teil nicht gleichmäßig gleitet. |
| 2. |
Freilaufkupplung in beide Richtungen drehen. Sicherstellen, dass sie in einer Richtung blockiert und in der anderen leichtgängig dreht. Schließt sie in keine oder in beide Richtungen, die Freilaufkupplung ersetzen.
|
| 3. |
Ist das Starterantriebsritzel abgenutzt oder beschädigt, muss die Freilaufkupplung ersetzt werden. (Das Zahnrad ist nicht einzeln erhältlich.) Zustand des Schwungrades oder des Zahnkranzes am Drehmomentwandler prüfen, wenn das Antriebsritzel beschädigt ist. |
| REINIGUNG |
| 1. |
Die Teile nicht in ein Lösungsmittel tauchen. Wenn der Stator und/oder der Anker in Reinigungslösung getaucht wird, wird die Isolierung beschädigt. Diese Bauteile nur mit einem Lappen anwischen. |
| 2. |
Antriebseinheit nicht in Reinigungslösung legen. Die Freilaufkupplung ist werkseitig geschmiert, die Reinigungslösung würde das Fett von der Freilaufkupplung abwaschen. |
| 3. |
Die Antriebseinheit kann mit einer in Reinigungslösung getauchten Bürste gereinigt und danach mit einem Lappen abgetrocknet werden. |
Beschreibung und bedienung Beschreibung Das Startsystem besteht aus Batterie, Starter, Magnet-, Zünd- und Sperrschalter (A/T), Kupplungspedalschalter (M/T), Zündschlossschalter, Verbindungskabeln und Batteriekabel.
Reparaturverfahren PRÜFUNG 1. Zündung ausschalten und Batterieminuspol (-) abklemmen. 2. Sicherungskastendeckel abbauen.
Beschreibung und bedienung Beschreibung Der Verdampfertemperatursensor erfasst die Verdampferkerntemperatur und unterbricht die Stromversorgung des Kompressorrelais, um zu vermeiden, dass der Verdampfer wegen übermäßiger Kühlung zufriert.
Beschreibung und bedienung Beschreibung Der Fotosensor befindet sich mittig in den Defrosterdüsen. Der Fotosensor beinhaltet eine fotovoltaische Diode, die auf Sonnenlicht reagiert. Die solare Strahlung generiert eine elektromotorische Kraft, die proportional zu der empfangenen Sonneneinstrahlung ist.