| BAUTEILE-ÜBERSICHT |

| 1. Schiebedach 2. Schiebedachschalter |
3. Schiebedachmotor & Steuerung
|
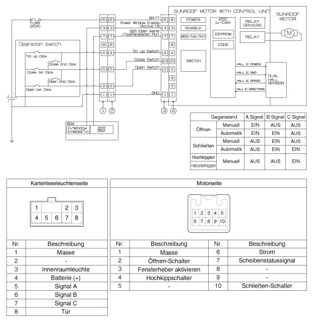
| Schaltplan |

Reparaturverfahren PRÜFUNG Selbstdiagnose mit dem Scan-Tool Mit dem KDS können Defekte am SMART KEY-System schnell erkannt werden. Das KDS kann den Stellantrieb mit Gewalt betätigen, den Eingabe-/Ausgabewert überwachen und die Selbstdiagnose durchführen.
Bauteile und bauteile-Übersicht BAUTEILE-ÜBERSICHT Reparaturverfahren PRÜFUNG 1. Batteriemassekabel abklemmen.
Beschreibung und bedienung Beschreibung BI-Funktion 1. Definition – Scheinwerfer mit integriertem Abblendlicht und Fernlicht. – Das Licht wird durch Drehen der in die Linse eingesetzten Abschirmung (mit Hilfe eines Elektromagneten) geregelt.
Bauteile und bauteile-Übersicht BAUTEILE-ÜBERSICHT Schematische darstellungen Schaltplan Beschreibung und bedienung Beschreibung Integrierter Regensensor Der integrierte Regensensor (A) steuert drei Systeme: Scheibenwischer, Auto-Licht und zentrale Klimaanlage.