| BAUTEILE-ÜBERSICHT |
| Motorraum-Anschlussblock |

| Stromkreis (PCB-Block) |

| Motorraum-Anschlussblock |

| Stromkreis (PCB-Block) |

| Motorraum-Anschlussblock |

| Stromkreis (PCB-Block) |

| Motorraum-Anschlussblock |

| Stromkreis (PCB-Block) |

| Motorraum-Anschlussblock |

| Stromkreis (PCB-Block) |

| Benzin / Diesel-Anschlussblock |

| PRÜFUNG |
| 1. |
Batteriemassekabel abklemmen. |
| 2. |
Relais aus dem Relaisblock im Motorraum herausziehen. |
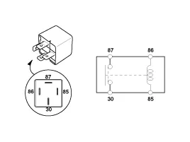
LEISTUNGSRELAIS (TYP A)
Zwischen den Relaisklemmen auf Durchgang prüfen.
| 1. |
Nach der Einschalten der Stromzufuhr zwischen den Relaisklemmen Nr. 85 und 86 überprüfen, dass Durchgang zwischen den Klemmen Nr. 30 und 87 besteht. |
| 2. |
Nach der Unterbrechung der Stromzufuhr zwischen den Relaisklemmen Nr. 85 und 86 überprüfen, dass kein Durchgang zwischen den Klemmen Nr. 30 und 87 besteht. Motorraum-Relaiskasten
|
LEISTUNGSRELAIS (TYP B)
Zwischen den Relaisklemmen auf Durchgang prüfen.
| 1. |
Nach der Einschalten der Stromzufuhr zwischen den Relaisklemmen Nr. 85 und 86 überprüfen, dass Durchgang zwischen den Klemmen Nr. 30 und 87 besteht. |
| 2. |
Nach der Unterbrechung der Stromzufuhr zwischen den Relaisklemmen Nr. 85 und 86 überprüfen, dass kein Durchgang zwischen den Klemmen Nr. 30 und 87 besteht.
|
Sicherung
| 1. |
Überprüfen, ob die Sicherungshalter fest montiert sind und die Sicherungen fest in den Haltern sitzen. |
| 2. |
Prüfen, ob die Kapazität der Sicherungen für die einzelnen Stromkreise geeignet ist. |
| 3. |
Sicherungen auf Beschädigungen prüfen.
|
Mehrfachsicherung
| 1. |
Batteriemassekabel abklemmen. |
| 2. |
Muttern von Motorraum-Sicherungs- und Relaiskasten lösen, dann Stromkabelklemmen (A) entfernen.
|
| 3. |
Nach Drücken auf den Haken die Multisicherung (A) entfernen.
|
|
Bauteile und bauteile-Übersicht BAUTEILE-ÜBERSICHT [Motorraum] 1. Motorraum-Relaisblock [Innenrelais] 1.
Bauteile und bauteile-Übersicht BAUTEILE-ÜBERSICHT Sicherungskasten Armaturenbrett (I/P) Stromkreis (Instrumententafel-Sicherungskasten) Reparaturverfahren SICHERUNGSÜBERPRÜFUNG 1.
Reparaturverfahren PRÜFUNG Selbstdiagnose mit dem Scan-Tool Mit dem KDS können Defekte am SMART KEY-System schnell erkannt werden. Das KDS kann den Stellantrieb mit Gewalt betätigen, den Eingabe-/Ausgabewert überwachen und die Selbstdiagnose durchführen.
Beschreibung und bedienung Beschreibung In der Heizungseinheit sind der Modus-Stellantrieb und der Temperatur-Stellantrieb eingebaut. Der Temperatur-Stellantrieb befindet sich an der Heizungseinheit. Er regelt die Temperatur wie folgt : Durch ein Signal vom Steuergerät wird die Temperaturklappe durch entsprechende Betätigung