| BAUTEILE-ÜBERSICHT |
| [Standard-Fensterhebermotor] |

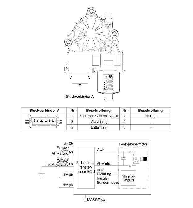
| [Sicherheitsfensterhebermotor] |

| PRÜFUNG |
|
MOTOR DES FENSTERHEBERS VORN
| 1. |
Vordere Türverkleidung abbauen. (Siehe Karosserie - "Vordertürverkleidung") |
| 2. |
Vordere Türverkleidungsdichtung abbauen. (Siehe Karosserie - "Vordertür-Fensterscheibe") |
| 3. |
Steckverbinder (A) vom Motor abziehen.
|
| 4. |
B+ direkt an die Klemmen des Fensterhebermotors anlegen und prüfen, ob der Motor gleichmäßig arbeitet. Danach umpolen und den Motor in entgegengesetzter Richtung auf gleichmäßige Funktion prüfen. Wenn die Funktion nicht ordnungsgemäß ist, Fensterhebermotor ersetzen. [Standard-Fensterhebermotor]
[Sicherheitsfensterhebermotor]
|
MOTOR DES FENSTERHEBERS HINTEN
| 1. |
Hintere Türverkleidung abbauen. (Siehe Karosserie - "Hintertürverkleidung") |
| 2. |
Hintertürverkleidung abbauen. (Siehe Karosserie - "Hintertürfensterscheibe") |
| 3. |
Steckverbinder (A) vom Motor abziehen.
|
| 4. |
B+ direkt an die Klemmen des Fensterhebermotors anlegen und prüfen, ob der Motor gleichmäßig arbeitet. Danach umpolen und den Motor in entgegengesetzter Richtung auf gleichmäßige Funktion prüfen. Wenn die Funktion nicht ordnungsgemäß ist, Fensterhebermotor ersetzen.
|
Bauteile und bauteile-Übersicht BAUTEILE-ÜBERSICHT 1. Fensterheberschalter (Fahrerseite) 2. Fensterheberschalter (Beifahrerseite) 3 Fensterheberschalter hinten 4.
Bauteile und bauteile-Übersicht BAUTEILE-ÜBERSICHT FAHRERFENSTERHEBERSCHALTER BELEGUNG DER STECKERKLEMMEN [Sicherheitsfensterheber Fahrerseite vorne/hinten - Autom.
Bauteile und bauteile-Übersicht BAUTEILE-ÜBERSICHT 1. Sitzheizungsschalter Fahrerseite 2. Sitzheizungsschalter Beifahrerseite Beschreibung und bedienung Beschreibung Intelligente Steuerungstechnologie der Sitzheizung • Um Niedertemperatur-Verbrennung zu vermei
Reparaturverfahren Smart Key Speichern des Smart-Key-Codes 1. Das KDS an den Diagnosestecker (16P) unter der Armaturenbrettabdeckung auf der Fahrerseite anschließen und einschalten. 2. Erst das Fahrzeugmodell und danach die Funktion 'Speichern des Smart-Key-Codes' wäh