| Schaltplan |

| Beschreibung |
Die Wegfahrsperre blockiert das Fahrzeug so lange, bis der richtige Zündschlüssel verwendet wird; zusätzlich zu den momentan erhältichen Diebstahlschutzsystemen wie z.B. Alarmanlagen soll die Wegfahrsperre dazu beitragen, die Diebstahlrate drastisch zu senken.
| 1. |
Transponder (TP) – IMMO ECU-Kommunikation
TP-Leseprotokoll
|
| 2. |
Transponder / IMMO ECU / EMS-Authentifizierung
|
| FUNKTIONEN DER KOMPONENTEN |
PCM (Antriebsstrang-Steuermodul)
| 1. |
Das PCM (ECM) (A) prüft den Zündschlüssel durch einen speziellen Verschlüsselungsalgorithmus, der im Transponder und im PCM (ECM) programmiert ist. Nur bei gleichem Ergebnis kann der Motor gestartet werden. Alle fahrzeugspezifischen Daten der Transponder werden im PCM (ECM) gespeichert. ERN (Verschlüsselte Zufallszahl)-Wert zwischen EMS und verschlüsselter SMARTRA-Einheit wird geprüft und die Gültigkeit des codierten Schlüssels vom EMS entschieden.
|
VERSCHLÜSSELTE Wegfahrsperren-Einheit (A)
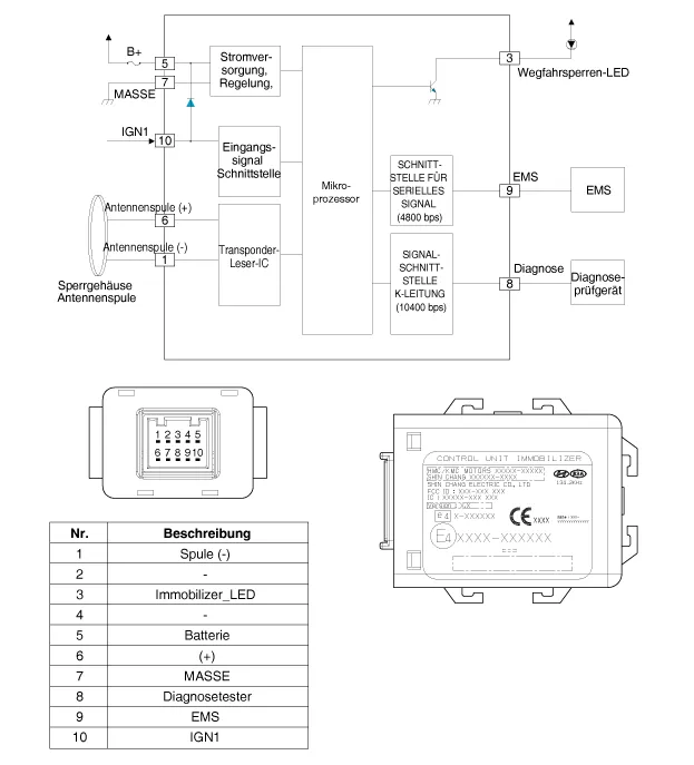
Die Kommunikation mit der Wegfahrsperre erfolgt über den in den Schlüssel eingebauten Transponder. Die drahtlose Kommunikation läuft auf RF (Funkfrequenz von 125 kHz). Die Wegfahrsperre ist hinter dem Armaturenbrett in der Nähe des Querträgers montiert.
Das von der Antennenspule empfangene Funksignal wird von der Wegfahrsperren-Einheit in Meldungen für die serielle Kommunikation umgewandelt. Die vom PCM (ECM) empfangenen Meldungen werden in ein Funksignal umgewandelt, das über die Antenne zum Transponder übertragen wird.
Die WEGFAHRSPERRE führt keine Gültigkeitsprüfung durch und berechnet auch nicht den Verschlüsselungsalgorithmus. Diese Vorrichtung ist nur eine Schnittstelle, die die empfangenen Transpondersignale in serielle Daten zum PCM (ECM) und umgekehrt umwandelt.

TRANSPONDER (im Schlüssel eingebaut)
Der Transponder verfügt über einen speziellen Algorithmus (Rechenregel). Während des Anlernens eines Schlüssels werden fahrzeugspezifische Daten im Transponderspeicher abgelegt. Dieser Speichervorgang kann nur ein einziges Mal durchgeführt werden. Aus diesem Grund kann der Inhalt eines Transponderspeichers danach niemals mehr geändert oder modifiziert werden.
| [Hauptklappschlüssel] |

| [Ersatz-Masterschlüssel] |

ANTENNENSPULE
Die Antennenspule (A) hat die folgenden Funktionen.
| – |
Die Antennenspule versorgt den Transponder mit Energie. |
| – |
Die Antennenspule empfängt ein Signal vom Transponder. |
| – |
Die Antennenspule sendet ein Transpondersignal an die Wegfahrsperre. Sie befindet sich direkt vor dem Lenkradschloss. |

| ANLERNVERFAHREN |
| 1. |
SCHLÜSSELPROGRAMMIERUNG Das Verfahren zum Anlernen von Schlüsseln muss von der Werkstatt nach dem Ersetzen eines schadhaften PCM(ECM) oder zum Anlernen neuer bzw. zusätzlicher Schlüssel angewendet werden. Das Verfahren beginnt mit einer PCM (ECM)-Anfrage des Testers nach den fahrzeugspezifischen Daten (PIN-Code: 6-stellig) vom Tester. Das "Noch nicht programmierte" PCM (ECM) speichert die fahrzeugspezifischen Daten, und die Schlüsselprogrammierung kann beginnen. Das "Programmierte" PCM(ECM) vergleicht die vom Tester gesendeten fahrzeugspezifischen Daten mit den gespeicherten Daten. Wenn die Daten richtig sind, kann die Schlüsselprogrammierung begonnen werden. Wenn 3-mal ein falscher Benutzer-Passcode oder falsche fahrzeugspezifischen Daten an das PCM (ECM) übertragen werden, sperrt das PCM (ECM) die Anlernprozedur für 1 Stunde. Diese Zeitspanne kann weder durch Abklemmen der Batterie noch durch eine andere Manipulation verkürzt werden. Nach dem Wiederanschließen der Batterie beginnt der Zeitgeber die Stunde von neuem. Die Schlüsselprogrammierung erfolgt bei eingeschalteter Zündung mit zusätzlichen Testerbefehlen. Das PCM (ECM) speichert relevante Daten im EEPROM und im Transponder. Danach verifiziert das PCM (ECM) den Speichervorgang. Wenn das Ergebnis positiv ist, sendet es eine entsprechende Bestätigung an das Diagnosegerät. Wenn das PCM (ECM) einen schon zuvor angelernten Schlüssel erkennt, wird die Gültigkeit akzeptiert und die EEPROM-Speicherdaten werden aktualisiert Der Transponderspeicher bleibt unverändert (Dies ist bei einem programmierten Transponder nicht möglich). Versuche, einen in demselben Anlernzyklus bereits angelernten Schlüssel nochmals anzulernen, werden vom PCM (ECM) erkannt. Der Schlüssel wird abgelehnt und das ECM sendet eine entsprechende Nachricht an das Diagnosegerät. Auch Versuche, ungültige Schlüssel anzulernen, werden vom PCM (ECM) erkannt und abgelehnt. Es wird eine entsprechende Nachricht an das Diagnosegerät gesendet. Der Schlüssel kann ungültig sein, wenn der Transponder fehlerhaft ist oder andere Gründe/Daten vorliegen, die ein erfolgreiches Anlernen des Schlüssels unmöglich machen. Wenn das PCM (ECM) Unterschiede zwischen den Berechtigungsdaten im PCM und im Transponder erkennt, wird der Schlüssel abgelehnt Es können maximal 4 Schlüssel angelernt werden. Tritt im Service-Menü der Wegfahrsperre ein Fehler auf, bleibt der PCM(ECM)-Status unverändert und ein spezifischer Fehlercode wird gespeichert. Stimmen PCM(ECM)-Status und Schlüsselstatus beim Anlernen der Schlüssel nicht überein, stoppt der Prüfvorgang und ein spezifischer Fehlercode wird im PCM (ECM) gespeichert.
|
| 2. |
Verfahren zum Anlernen des 4-stelligen Benutzer-Passcodes Das Benutzerpasswort für begrenzte Aufhebung wird in der Kundendienstwerkstätte programmiert. Der Fahrzeugeigentümer kann eine vierstellige Nummer wählen. Die Programmierung des Benutzer-Passcodes ist nur für ein "angelerntes" PCM (ECM) möglich. Vor dem ersten Anlernen des Benutzer-Passcodes ist der Status des PCM (ECM) 'unprogrammiert'. Die Limp Home-Funktion kann nicht angewendet werden. Das Verfahren beginnt damit, dass die Zündung mit einem gültigen Transponderschlüssel (programmierter Schlüssel) eingeschaltet wird und dass der Benutzer-Passcode über das Diagnosegerät gesendet wird. Nach erfolgreicher erster Anlernprozedur des Benutzer-Passcodes ändert sich der Status von 'unprogrammiert' nach 'angelernt'. Ein angelernter Passcode kann auch wieder geändert werden. Dies ist möglich, solange der Status "Angelernt" lautet. Um die Zugangsberechtigung zu erhalten, mit dem Diagnosegerät entweder den alten Passcode oder die spezifischen Fahrzeugdaten an das ECM senden. Wenn die Zugangsberechtigung erkannt wurde, forder das PCM (ECM) den neuen Passcode an. Danach bleibt der Status "Angelernt" bestehen und der neue Benutzer-Passcode ist gültig. Wenn 3-mal hintereinander oder kurzzeitig unterbrochen ein falscher Benutzer-Passcode oder falsche fahrzeugspezifischen Daten an das PCM (ECM) übertragen werden, sperrt das PCM (ECM) die Anfrage nach Änderung des Passcodes für 1 Stunde. Diese Zeitspanne kann weder durch Abklemmen der Batterie noch durch eine andere Manipulation verkürzt werden. Nach dem Wiederanschließen der Batterie beginnt der Zeitgeber die Stunde von neuem.
|
| Notlaufregelung |
| 1. |
'LIMP HOME'-FUNKTION (NOTSTART) MIT DEM DIAGNOSEGERÄT Erkennt das PCM (ECM) einen Defekt des SMARTA oder Transponders, läßt das PCM (ECM) die Limp Home-Funktion der Wegfahrsperre zu. Die Limp Home-Funktion kann nur aktiviert werden, wenn zuvor der Benutzer-Passcode (4-stellig) an das PCM(ECM) ausgegeben wurde. Dieser Passcode wird vom Fahrzeughalter gewählt und in der Servicestation programmiert. Der Benutzer-Passcode kann über das spezielle Diagnosegerät-Menü zum PCM (ECM) übertragen werden. Nur wenn das PCM (ECM) und der Benutzer-Passcodestatus "Angelernt" und der Passcode korrekt sind, wird das PCM (ECM) kurzfristig (30 s) entriegelt. Der Motor lässt sich nur während dieser Zeit starten. Nach Ablauf dieser Zeitspanne kann der Motor nicht mehr gestartet werden. Wird ein falscher Benutzer-Passcode gegeben, ist das PCM (ECM) eine Stunde lang für die Anforderung der Limp Home-Funktion gesperrt. Diese Zeitspanne kann weder durch Abklemmen der Batterie noch durch eine andere Manipulation verkürzt werden. Nach dem Wiederanschließen der Batterie zählt der Zeitgeber erneut eine Stunde.
|
| 2. |
LIMP HOME-FUNKTION MIT DEM ZÜNDSCHLÜSSEL Der Notstart kann auch mit dem Zündschlüssel aktiviert werden. Der Benutzer-Passcode kann durch eine bestimmte Zündein-/ausschaltfolge in das PCM (ECM) eingegeben werden. Nur wenn das PCM (ECM) und der Benutzer-Passcodestatus "angelernt" und der Passcode korrekt sind, wird das PCM (ECM) kurzfristig (30 s) entriegelt. Der Motor lässt sich nur während dieser Zeit starten. Nach Ablauf dieser Zeitspanne kann der Motor nicht mehr gestartet werden. Nach der erneuten Eingabe des Passcodes entsperrt der Timer das PCM erneut für 30 Sekunden, in denen der Motor angelassen werden kann. Nach Ausschalten der Zündung wird das PCM (ECM) 8 Sekunden nach Ablauf des Zeitgebers gesperrt. Für den nächsten Start muss der Benutzer-Passcode erneut eingegeben werden. |

| AUS- UND EINBAU |
PROBLEME UND ERSATZTEILE:
|
PROBLEM |
Ersatzteil |
KDS/GDS erforderlich? |
|
Alle Schlüssel verloren |
Neue Schlüssel (4) |
JA |
|
Antennenspirale funktioniert nicht |
Antennenspule |
NEIN |
|
ECM funktioniert nicht |
PCM (ECM) |
JA |
|
Zündschloss fehlerhaft |
Zündschalter mit Antennenspuleneinheit |
JA |
|
Spezifische Fahrzeugdaten werden nicht erkannt/identifiziert |
Schlüssel, PCM (ECM) |
JA |
|
SMARTRA-Einheit funktioniert nicht |
SMARTRA-EINHEIT |
JA |
AUSWECHSELN DES ECM UND DER SMARTRA-EINHEIT
Im Falle eines Defekts des ECM muss die Einheit durch ein "leeres" oder "neutrales" ECM ersetzt werden. In das neue ECM müssen alle Schlüssel einprogrammiert werden. Schlüssel, die nicht in das ECM programmiert werden, sind für das neue ECM ungültig (Siehe Verfahren zur Schlüsselprogrammierung). Die spezifischen Fahrzeugdaten müssen aufgrund der einzigartigen Transponderprogrammierung unverändert bleiben.
Bei einem defekten SMARTRA muss eine Neuprogrammierung durchgeführt werden. Das alte SMARTRA wird einfach durch das neue ersetzt, das dann programmiert wird.
| 1. |
Vor dem Ersetzen zu beachtenden Punkte (PCM (ECM))
|
| 2. |
Vor dem Ersetzen zu beachtenden Punkte (Schlüssel & zusätzliche Registrierung)
|
NEUTRALISIEREN DES ECM
Das PCM (ECM) kann über ein Diagnosegerät "neutralisiert" werden.
Ein angelernter Zündschlüssel wird eingesteckt und nach Speichern des Zündvorgangs fordert das PCM (ECM) die fahrzeugspezifischen Daten vom Diagnosegerät an. Die Kommunikationsmeldungen werden im "Neutralisierungsmodus" beschrieben. Nach erfolgreichem Datenempfang wird das PCM (ECM) neutralisiert.
Das ECM bleibt gesperrt. Die Limp Home-Funktion sowie die Funktion für "Zweimaliges Anlassen" werden vom PCM (ECM) nicht akzeptiert.
Das Anlernen der Schlüssel entspricht der Vorgehensweise für ein unprogrammiertes PCM (ECM). Die fahrzeugspezifischen Daten müssen aufgrund der eindeutigen Programmierung des Transponders unverändert werden. Wenn Daten geändert werden sollen, müssen neue Schlüssel mit einem noch nicht programmierten Transponder verwendet werden.
Mit dieser Funktion werden PCM (ECM) und Schlüssel neutralisiert. z.B) Bei Verlust des Schlüssels das PCM (ECM) neutralisieren und danach die Schlüssel anlernen.
(Siehe Vorgehensweise zur Einstellung von Schlüssel und PIN-Code des PCM (ECM) in "Neutral-Status" mit Hilfe eines Scanners. Wenn 3-mal nacheinander oder kurzzeitig unterbrochen falsche fahrzeugspezifischen Daten an die SMARTRA-Einheit übertragen werden, blockiert die SMARTRA-Einheit die Anfrage nach Aktivierung des Neutralmodus für eine Stunde. Diese Zeitspanne kann weder durch Abklemmen der Batterie noch durch eine andere Manipulation verkürzt werden. Nach dem Wiederanschließen der Batterie beginnt der Zeitgeber die Stunde von Neuem.
|



SMARTRA NEUTRALISIEREN
Das ECM kann über ein Diagnosegerät "neutralisiert" werden.
Zündschlüssel (unabhängig vom Schlüsselstatus) ist eingesteckt und Zündung eingeschaltet. Nach Empfang des korrekten Fahrzeug-Passworts vom GST, kann die SMARTRA-Einheit neutralisiert werden. Die Neutralisierung der SMARTRA-Einheit ist möglich, wenn der DPN und der vom GST eingegebene Wert übereinstimmen.
Wenn der SMARTRA-Status neutral ist, bleibt das EMS verriegelt. Der Motor kann auch durch "doppelte Zündung" nicht gestartet werden.
Bei Änderung des Fahrzeug-Passworts muss ein neuer Sensor benutzt werden. Ein neuer Schlüssel kann erst nach Programmieren des Fahrzeug-Passworts verwendet werden.
Wenn 3-mal nacheinander oder kurzzeitig unterbrochen falsche fahrzeugspezifische Daten an die SMARTRA-Einheit übertragen werden, blockiert die SMARTRA-Einheit die Anfrage nach Aktivierung des Neutralmodus für eine Stunde. Diese Zeitspanne kann weder durch Abklemmen der Batterie noch durch eine andere Manipulation verkürzt werden. Nach dem Anschließen der Batterie beginnt der Zeitgeber die Stunde von neuem.
|



Reparaturverfahren PRÜFUNG 1. Den Schlüsselwarnschalter-Steckverbinder (A) und den Zündschaltersteckverbinder (B) von der Lenksäule abziehen.
Reparaturverfahren Ausbau 1. Batteriemassekabel abklemmen. 2. Aufprallpolster-Hauptteil ausbauen. (Siehe Karosserie - "Hauptarmaturenbrett") 3.
Bauteile und bauteile-Übersicht BAUTEILE-ÜBERSICHT 1. Deckel 2. Mutter 3. Wischerarm und Wischerblatt 4. Obere Windlaufabdeckung 5. Schraube 6. Wischermotor und Wischergestänge 7. Wischermotor-Steckverbinder Reparaturverfahren Ausbau 1.
Reparaturverfahren PRÜFUNG 1. Messung des Widerstands zwischen den Klemmen 2. Bei Abweichung des gemessenen Widerstandswerts von den Vorgaben ist der Gebläse-Widerstand zu ersetzen. (Nach Entfernen des Widerstands) AUS- UND EINBAU 1.