Kia Stonic (YB): Heckscheibenwischer-/Waschanlage / Heckscheibenwischermotor

Reparaturverfahren

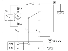
PRÜFUNG

HECKSCHEIBENWISCHERMOTOR

1.

Kabelstecker vom Wischermotor hinten abklemmen.

2.

Das positive (+) Batteriekabel an die Klemme 4 und das negative (-) Batteriekabel an die Klemme 3 anschließen.

3.

Prüfen, ob der Wischermotor ordnungsgemäß läuft. Bei abnormalem Betrieb den Waschanlagenmotor auswechseln.

Nr.
Beschreibung
1
Batterie (+)
2
Parken
3
Masse
4
Schaltersignal (+)

AUTOMATISCHE ENDABSCHALTUNG PRÜFEN

1.

Wischermotor mit dem Wischerschalter einschalten und mit langsamer Geschwindigkeit laufen lassen.

2.

Wischermotor an einer beliebigen Position, außer der Ruhestellung, durch Abziehen des Motorsteckverbinders stoppen.

3.

Batteriespannung (+) an Klemme 1 und Batteriemasse (-) an Klemme 3 anlegen.

4.

Motorklemme Nr. 2 und Nr. 4 anschließen.

5.

Prüfen, ob der Wischermotor bis in die Ruhestellung weiterläuft.

Prüfung (Mit KDS)
1.

Defekte Komponenten der Karosserieelektrik können schnell mit dem Fahrzeugdiagnosesystem (KDS) untersucht werden.

Das Diagnosesystem (KDS) liefert folgende Daten.

(1)

Selbstdiagnose: Defekt und Codenummer (DTC) überprüfen

(2)

Aktuelle Daten: Status der Ein-/Ausgangsdaten des Systems überprüfen

(3)

Stellgliedtest: Betriebsbedingung des Systems überprüfen

(4)

Zusatzfunktionen: Steuerung anderer Funktionen einschließlich Systemoptionseinstellungen und Nullpunkteinstellung

2.

'Fahrzeugmodell' und 'Karosseriesteuermodul (BCM)' wählen, um das Fahrzeug mit dem Tester zu untersuchen.

3.

Menü 'Momentane Daten" wählen, um den aktuellen Status der Ein-/Ausgangsdaten zu suchen.

Ausbau
  

Unter "Kombiinstrument - Benutzereinstellmenü (USM)" einstellen, dass die Heckscheibenwischer automatisch betrieben werden, wenn bei in Betrieb befindlichen Scheibenwischern der Rückwärtsgang eingelegt wird.

1.

Heckscheibenwischerkappe (A) entfernen.

2.

Befestigungsmutter lösen, dann Heckscheibenwischerarm und Wischerblatt (A) abnehmen.

3.

Heckklappe öffnen und Heckklappenverkleidung abbauen.

(Siehe Karosserie - "Heckklappenverkleidung")

4.

Steckverbinder (A) des Heckscheibenwischermotors abziehen.

5.

Befestigungsschrauben lösen und Heckscheibenwischermotor (A) ausbauen.

Einbau
1.

Heckscheibenwischermotor einbauen.

Anzugsdrehmoment Mutter:

6,9 - 10,8 Nm (0,7 - 1,1 kgm)

2.

Heckklappenverkleidung einbauen.

3.

Heckscheibenwischerkappe und Heckscheibenwischerarm einbauen.

Anzugsdrehmoment (Mutter):

3,9 - 6,9 N·m (0,4 - 0,7 kgm)

4.

Heckscheibenwischerblatt auf den untersten Heckscheibenheizungsdraht der Heckscheibe einstellen.

    Bauteile und bauteile-Übersicht BAUTEILE-ÜBERSICHT 1 . Heckscheibenwischerarm und Wischerblatt 2 . Mutter des Heckscheibenwischerarms 3.

    Reparaturverfahren PRÜFUNG Überprüfung des Kombischalters 1. In den einzelnen Schalterpositionen zwischen den Klemmen wie unten gezeigt auf Durchgang prüfen.

    Weitere Informationen:

    Kia Stonic (YB) Reparaturanleitung: Smart Key-Diagnose

    Reparaturverfahren PRÜFUNG Selbstdiagnose mit dem Scan-Tool Mit dem KDS können Defekte am SMART KEY-System schnell erkannt werden. Das KDS kann den Stellantrieb mit Gewalt betätigen, den Eingabe-/Ausgabewert überwachen und die Selbstdiagnose durchführen.

    Kia Stonic (YB) Reparaturanleitung: Auto-Beschlagentfernungsstellantrieb

    Beschreibung und bedienung Beschreibung Der Auto-Beschlagentfernungssensor ist an der Windschutzscheibe des Fahrzeugs angebracht und erfasst Feuchtigkeit; das Gebläse schaltet ein, um Beschlagbildung vorzubeugen und so für eine bessere sich Sicht sowie einen gesteigerten Komfort zu sorgen.

    Kategorien

     
    Copyright © 2026 www.stonicde.com - 0.0164